
FA100拉杆式玻璃转子流量计
当前位置:首页 >> 产品中心 >> FA100拉杆式玻璃转子流量计LZB-FA100-50玻璃转子流量计

LZB-FA100-50玻璃转子流量计,LZB-FA100-50浮子流量计。
LZB-FA100型系列玻璃转子流量计
一概述:
LZB-FA100型系列流量计是玻璃转子流量计的一种。具有高灵敏度,测量范围宽,使用维护方便等特点。该仪表连接方式为法兰连接。LZB-FA100系列玻璃转子流量计在恒压条件下,利用流通截面的变化来测量非混浊的非脉动流的液体或气体的流量计。
LZB-FA100型系列玻璃转子流量计广泛用于石油,化工,冶金,化纤,染料,造纸,环保设备,食品,制糖,以及科学实验仪器配套设施等。
二原理与结构:
LZB-FA100型系列玻璃转子流量计仪表的主要测量元件为一根小端向下,大端向上的垂直安装的锥形玻璃管(简称锥管)以及其在内可以上下移动的浮子。当流体自下而上流经锥管时,在浮子之间产生压差,浮子在此压差作用下上升,当使浮子的上升力与浮子所承受的重力,浮力及粘度力三者的合力相等时,浮子处于平衡位置。因此,流经玻璃转子流量计的流体的流量与浮子的上升高度,即与仪表的流体面积之间存在一定的比例关系,浮子的位子高度可作为流量的量度。
仪表的读数按图1所示的读数位置读取示值。
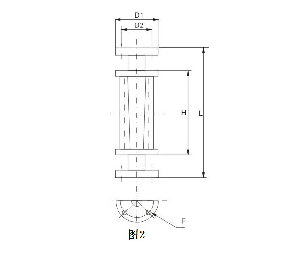
LZB-FA100型系列玻璃转子流量计的公差通径有φ15,φ20,φ25,φ32,φ40,φ50,φ65,φ80,φ100,φ125,φ150,其中φ125与φ150为定制款,连接方式为法兰连接,结构如图2所示。
LZB-FA100外形安装尺寸见表1
尺寸 型号 | L | D1 | D2 | F |
FA100-15 | 320 | 95 | 65 | 4-φ14 |
FA100-20 | 320 | 105 | 75 | 4-φ14 |
FA100-25 | 320 | 115 | 85 | 4-φ14 |
FA100-32 | 370 | 135 | 100 | 4-φ18 |
FA100-40 | 370 | 145 | 110 | 4-φ18 |
FA100-50 | 370 | 160 | 125 | 4-φ18 |
FA100-65 | 370 | 180 | 145 | 4-φ18 |
FA100-80 | 400 | 185 | 150 | 4-φ18 |
FA100-100 | 400 | 205 | 170 | 4-φ18 |
FA100-125 | 400 | 235 | 200 | 4-φ18 |
FA100-150 | 400 | 260 | 225 | 4-φ18 |
注:安装高度可定制 表1
三技术参数:
LZB-FA100玻璃转子流量计的主要技术参数见表2
通径 (mm) | 测量范围 | 工作压力 (Mpa) | 精度 (±%) | |
水(L/H) | 空气(NL/min) | |||
15 | 30~300 60~600 80~800 | 10~100 20~200 25~250 |
≤0.8 |
4 |
20 | 90~900 120~1200 180~1800 | 20~200 30~300 50~500 |
2.5 | |
25 | 180~1800 300~3000 480~4800 | 50~500 100~1000 150~1500 | ||
32 | 480~4800 600~6000 720~7200 | 200~2000 250~2500 300~3000 | ||
40 | 1~10 m3/H 1.2~12 m3/H 1.5~15 m3/H | 18~180N m3/H 20~200 Nm3/H 25~250N m3/H |
≤0.6 | |
50 | 1.2~12 m3/H 1.5~15 m3/H 1.8~18 m3/H | 20~200 Nm3/H 25~250N m3/H 30~300 N m3/H | ||
65 | 1.8~18 m3/H 3~30 m3/H 4~40 m3/H | 25~250N m3/H 30~300 N m3/H 40~400 N m3/H |
1.5 | |
80 | 4~40 m3/H 5~50 m3/H 6~60 m3/H | 40~400 N m3/H 50~500 N m3/H 60~600 N m3/H |
≤0.4 | |
100 125 150 | 6~60 m3/H 7~70 m3/H 10~100 m3/H | 60~600 N m3/H 70~700 N m3/H 90~900 N m3/H | ||
注:特殊流量和尺寸可以按照客户要求定制 表2 | ||||
四安装:
4.1 FA100系列玻璃转子流量计开箱,检查无误后取出填充物,垂直(仪表中心线与铅锤线夹角不得超过5°)安装在无振动的管道上,并有正确的支撑,防止应力传入。
4.2 新装管道在仪表安装前,应冲洗干净。玻璃转子流量计装入管道时,锥管上的最小分度值应处于下方。
4.3 为了方便检修,仪表周围应留有足够空间。必须按图安装旁路管。
4.4 仪表上游应安装阀门,下游5-10D处安装节流阀,管路中如有倒流水或水锤作用损坏玻璃转子流量计的玻璃锥管,应在下游阀门之后安装单向止回阀。
4.5 如被测流体含较大的颗粒或杂质或气泡应在仪表上游安装过滤器或设置排气口。
4.6 如被测流体为脉动流,造成浮子被动,不能正确测量时,玻璃转子流量计下游应设置适当尺寸的缓冲器和定值器,以消除脉动。
五使用,维修:
5.1 玻璃转子流量计使用时应缓慢开启上流阀门至全开,然后用仪表的下流的调节阀调节流量,玻璃转子流量计停止工作时,应先缓慢关闭上游阀门,然后在关闭玻璃转子流量计调节阀。
5.2玻璃转子流量计使用时应避免被测流体压力的急聚变化。
5.3玻璃转子流量计的流量读数按图1所示的浮子读数边读数。
5.4玻璃转子流量计的工作直径(读数边)如有损坏,应重新标定。
5.5玻璃转子流量计使用过程中发现渗漏,应均匀地紧固压盖螺栓,此时避免过分紧固夹碎锥管
5.6玻璃转子流量计使用中,压盖已紧固,但仍渗漏,一般是密封材料失效,应更换密封材料。
5.7玻璃转子流量计锥管和浮子玷污,应及时清洗,以免降低精度。
